1. Друзья, в это тяжёлое и непонятное для всех нас время мы просим вас воздержаться от любых упоминаний политики на форуме, - этим ситуации не поможешь, а только возникнут ненужные ссоры и обиды. Это касается также шуток и юмора на тему конфликта. Пусть войны будут только виртуальными, а политики решают разногласия дипломатическим путём. С уважением, администрация Old-Games.RU.

    Скрыть объявление
  2. Пожалуйста, внимательно прочитайте правила раздела.
  3. Если Вы видите это сообщение, значит, вы ещё не зарегистрировались на нашем форуме.

    Зарегистрируйтесь, если вы хотите принять участие в обсуждениях. Перед регистрацией примите к сведению:
    1. Не регистрируйтесь с никами типа asdfdadhgd, 354621 и тому подобными, не несущими смысловой нагрузки (ник должен быть читаемым!): такие пользователи будут сразу заблокированы!
    2. Не регистрируйте больше одной учётной записи. Если у вас возникли проблемы при регистрации, то вы можете воспользоваться формой обратной связи внизу страницы.
    3. Регистрируйтесь с реально существующими E-mail адресами, иначе вы не сможете завершить регистрацию.
    4. Обязательно ознакомьтесь с правилами поведения на нашем форуме, чтобы избежать дальнейших конфликтов и непонимания.
    С уважением, администрация форума Old-Games.RU
    Скрыть объявление

Hard Единая тема о новоделе ретро железа [A unified theme about the remake of retro hardware]

Тема в разделе "Hard & Soft", создана пользователем HotChip, 22 фев 2024.

Метки:
  1. TheMadLynx

    TheMadLynx

    Хелпер

    Регистрация:
    9 июн 2015
    Сообщения:
    7.629
    @Yuriy_X, нужно уточнение, по поводу каких именно полосок беспокойство, так как мною у имеющейся TVGA9000B обнаружена два их типа. Один, бросающийся в глаза, убирается качественными кондёрами, а второй едва заметен (надо очень внимательно изучать экран), но убрать простыми телодвижениями его уже получилось. Возможно, нужно делать развязку с отдельной высокоточной стабилизацией питания для RAMDAC. Но у моей карты RAMDAC внешний, как и у всех более старых трайдентов. А 9000i Киселёва имеет уже интегрированный RAMDAC - разве такие карты полосят? При нормальных деталях и схемотехнике не должно бы там ничего полосить уже. Как и у всех других карт со встроенными RAMDAC.
     
    Kristobal Hozevich Hunta нравится это.
  2. Yuriy_X

    Yuriy_X

    Регистрация:
    27 авг 2018
    Сообщения:
    4.070
    @TheMadLynx, у меня была такая Trident 8900C -

    upload_2024-10-3_20-1-27.png

    Полосила так:

    upload_2024-10-3_20-1-53.png

    Позднее купил Cirrus Logic, с ней полосы исчезли, но появилось какое-то мельтешение пикселей, заметное на статичном изображении.

    upload_2024-10-3_20-2-23.png

    Последняя находка для ISA - CHIPS, 256 Кб. Она тормозная, но картинка на ЖК 24'' почти идеальная, перечисленные выше недостатки не замечены. Минус - не удалось активировать режимы CGA.

    upload_2024-10-3_20-5-2.png
     
    Последнее редактирование: 3 окт 2024
    Sirruf и Kristobal Hozevich Hunta нравится это.
  3. TheMadLynx

    TheMadLynx

    Хелпер

    Регистрация:
    9 июн 2015
    Сообщения:
    7.629
    @Yuriy_X, такие полоски от недостаточного качества и ёмкости конденсаторов в обвязке RAMDAC. По крайней мере, у меня они были и ушли после вдумчивого рекапа платы.
     
    Yuriy_X нравится это.
  4. Yuriy_X

    Yuriy_X

    Регистрация:
    27 авг 2018
    Сообщения:
    4.070
    @TheMadLynx, рекап - это исследование на предмет дохлых элементов и их замена?
     
  5. Редрум2

    Редрум2

    Регистрация:
    12 янв 2018
    Сообщения:
    996
    Да, от анг. Менять емкость. Пока что отвечу за него. Также нужен esr-метр для анализа утечки фарад. Обозначается с ультра, например 470uF.
     
  6. Yuriy_X

    Yuriy_X

    Регистрация:
    27 авг 2018
    Сообщения:
    4.070
    @Редрум2, а если этого инструмента нет, будет ли целесообразно перепаять все конденсаторы без исключения? Так сказать, чтоб наверняка.
     
  7. Редрум2

    Редрум2

    Регистрация:
    12 янв 2018
    Сообщения:
    996
    Он предназначен для оценки емкости кондера, весь смысл затеи становится нулевым.
     
    Yuriy_X нравится это.
  8. SanTix

    SanTix

    Регистрация:
    11 дек 2008
    Сообщения:
    1.673
    Экспресс-метод: если есть подозрение, что подсох конкретный электролит, то можно просто с другой стороны платы подпаять впараллель второй, заведомо живой и достаточной ёмкости. Если повлияло - меняем. Не повлияло никак - с большой вероятностью проблема где-то ещё.

    Если менять кондёры на платах с хрупкой металлизацией, да ещё без опыта аккуратной отпайки и инструмента, то может оказаться проще срезать дохлики бокорезами и на пеньки от их лапок припаять новые. Когда кондёры на боку или можно уложить на бок - в большинстве случаев только так и меняю - пять минут и готово! Риски минимальные из возможных, хотя старые платы, обычно и легко распаиваются, это не бессвинец на 100500 слоёв.
    --- добавлено 4 окт 2024, предыдущее сообщение размещено: 4 окт 2024 ---
    Простенький "транзистор-тестер", как бы его не хулили "прошаренные" с 99.999% точностью определит годные-негодные литы, кроме тех, что в напряжённых по режимам питальниках работают в некоторых цепях, особенно в плечах полумостов и т.п. Ретрокомпьютерщику, ИМХО, с подобными случаями столкнуться немногим вероятнее, чем встретить инопланетян :)
     
    Колючий, grinderz20, Yuriy_X и ещё 1-му нравится это.
  9. TheMadLynx

    TheMadLynx

    Хелпер

    Регистрация:
    9 июн 2015
    Сообщения:
    7.629
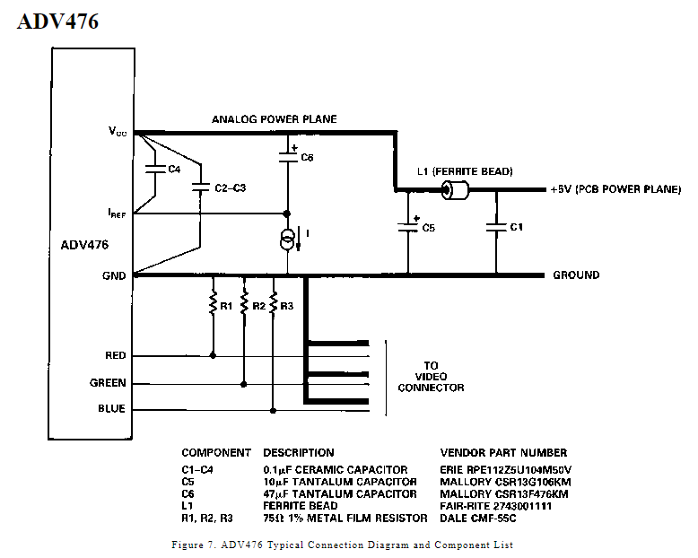
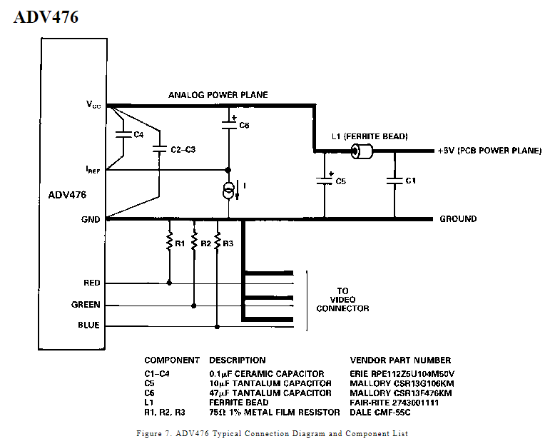
    @Yuriy_X, сложно сказать, получится ли наверняка, так как мне не очень нравится разводка платы в районе RAMDAC. Но она такая из-за того, что пытались сделать универсальный дизайн под разные корпуса микросхем. Возможно, достаточно будет заменить лишь три-четыре конденсатора в непосредственной близости вокруг RAMDAC. В моём случае там стояли танталы на 2.2 мкФ, которые хоть и были абсолютно исправны, но не совсем достаточны для прожорливой старой микросхемы. После замены их на керамику X7R 22 мкФ с наиболее подходящими по площадкам SMD 1210 стало заметно лучше. На твоей плате конденсаторы выводные и с большим расстоянием между точками пайки - такое менять только тоже на выводные можно. Второй момент касательно именно того, что я вижу на фотографии платы - стабилизация опорного тока сделана, вероятно, на обычном транзисторе (рядом с джампером справа сверху от RAMDAC), что очень дёшево для производителя, но тоже вносит вклад в полосатость, плюс ещё должны меняться эти полоски от прогрева (изменения температуры в корпусе и самого транзистора). Да, определённые типы ЦАП нуждаются в стабильном опорном токе, а не напряжении. Данные древние RAMDAC как раз к таким относятся - можно посмотреть даташит за подробностями. В том же даташите будет чёрным по белому написано, что генерацию опорного тока нужно делать на операционном усилителе. Реализовать это для твоего варианта платы можно только с изменением схемотехники "по живому", что не каждому захочется делать, если можно просто пойти и взять другую плату с разводкой получше. Исходя из сказанного должно быть понятно, кстати, почему полосатость на карточках со встроенными в главный чип RAMDAC встретить сложнее - меньше точек для бережливых китайцев, чтобы сэкономить цент на производстве.
     
    Колючий, Yuriy_X и SanTix нравится это.
  10. SanTix

    SanTix

    Регистрация:
    11 дек 2008
    Сообщения:
    1.673
    Почему? Танталы в желто-коричневой обливке? Можно "на попа"/"полулёжа" (смотря по маске и размерам кондёров) паять керамику, второй конец - проводочком. Проверить - хватит. Если для окончательного варианта хочется красоты, то искать потом выводные. Но можно и красиво сделать, при должной сноровке и два впараллель встают: на каждую площадку по одному и два проводка.

    К танталам древним у меня доверия мало - уж очень они любят коротить да пыхать с пироэффектами.
     
  11. TheMadLynx

    TheMadLynx

    Хелпер

    Регистрация:
    9 июн 2015
    Сообщения:
    7.629
    @SanTix, надеюсь, мы ещё не дошли до той точки упадничества, когда вместо заказа в магазине будем всерьёз обсуждать, что из SMD-конденсатора можно сделать выводной просто припаяв ему медные ножки =)
    --- добавлено 4 окт 2024, предыдущее сообщение размещено: 4 окт 2024 ---
    @Yuriy_X, попытался сфоткать мои полоски - они есть, но едва видны и на фоне проблем с фотографированием экрана ЖК-мониторов, можно сказать, вообще не видны. Но глазом всё-таки видны, если внимательно посмотреть:
    photo_2024-10-04_12-24-56.jpg

    Попытался шаг показать оранжевыми направляющими. Примерно, один пиксель Mode 13h шириной.

    С другой стороны, возможно, мои 22 мкФ всё ещё недостаточны, и всё пройдёт если ещё добавить ёмкости в критическое место?
    RAMDAC_Power.png
     
    Последнее редактирование: 4 окт 2024
    Yuriy_X нравится это.
  12. Yuriy_X

    Yuriy_X

    Регистрация:
    27 авг 2018
    Сообщения:
    4.070
    В целом понятно, как появится в коллекции полосатый Trident, буду знать, куда копать. А той 8900C у меня уже нет, я её продал в составе ретроПК с 386DX. Сейчас из ISA-видюх у меня только CHIPS и Cirrus Logic. У мельтешения пикселей на CL ноги примерно оттуда же растут?
     
  13. SanTix

    SanTix

    Регистрация:
    11 дек 2008
    Сообщения:
    1.673
    Моё радиолюбительское детство прошло в другое время и на других деталях. Бытие определяет сознание, вот оно и определилось :) Просто поделился опытом.

    Упадничеством это, простите, признать не могу. Современные китайские компоненты тоже качеством не радуют, демонтаж нередко, даже надёжнее. Особенно, как раз, кондёры и особенно высоковольтные (это не про комповое железо в основном). Кроме того у нас с местными магазами туго, а заказывать и долго, а, порой, и дорого, если три детальки нужно. А сдуть керамику у любителя ретро всегда уж есть с чего, а то и те же танталлы, в т.ч. и проводные, а то и уже демонтированного отсортированного есть (у меня есть) и можно сразу все сделать не откладывая в долгий ящик. Если уж эстетствовать, так потом и переделать можно.

    Паять проводки к СМД неудобно. Я предлагал другое. Но накрайняк и так можно, если сначала лапки впаять, а потом СМД-ху между них, но я так редко делаю. Впрочем я проводной монтаж "в дырочку" вообще не люблю с давних пор, уже первые ЛУТ платы так разводил, чтобы без сверловки.

    Есть ещё длинные танталы/полупроводниковые в пластиковых SMD корпусах. Вполне можно подобрать, что и ровно сядет на пятачки от не сильно большого проводного тантала.
     
    Последнее редактирование: 4 окт 2024
  14. TheMadLynx

    TheMadLynx

    Хелпер

    Регистрация:
    9 июн 2015
    Сообщения:
    7.629
    У меня есть только вот такого типа простенький циррус VGA Legacy MKIII - Cirrus Logic CL-GD5402 / Acumos AVGA2 Каких-то проблем с ним не замечал.
    Вообще, опыт мельтешащих пикселей наблюдал только из-за плохого контакта в разъёмах или наводок на кабель - то есть, речь об уже аналоговом сигнале: R-, G- или B-составляющих. К количеству возможных причин стоит добавить нарушение контакта в месте пайки балластных 75 Ом резисторов или фильтрующих индуктивностей на пути RGB-линий, а также отвал ножки микросхемы с аналоговым сигналом от точки пайки. Все эти ISA-карты очень старые и нарушение нормального контакта из-за трещины или коррозии в припое вполне реальная тема. Наводки внешние чаще всего будут иметь тенденцию к формированию некоторого диагонального (с наклоном) узора. Короче, всё не так просто и очень индивидуально - как всегда, со старым железом.
     
    Последнее редактирование: 4 окт 2024
    Колючий и Yuriy_X нравится это.
  15. SanTix

    SanTix

    Регистрация:
    11 дек 2008
    Сообщения:
    1.673
    С этой полосатостью ещё есть такой момент, что она особенно заметна на современных цифровых мониторах, но может быть совершенно незаметна на старых аналоговых. Это к вопросу об экономии и почему производители дешёвых карт тех лет считали, что введённые упрощения приемлемы. То, что мы сейчас видим, как полоски на ЖК мониторах могли быть просто лёгким дрожанием или муаром, которые на фоне качества массовых мониторов тех лет также максимально-упрощенных и удешевлённых, могли быть и вовсе незаметны за другими помехами.
     
    x010d, TheMadLynx и Колючий нравится это.
  16. Редрум2

    Редрум2

    Регистрация:
    12 янв 2018
    Сообщения:
    996
    SanTix нравится это.
  17. Talking_Sword

    Talking_Sword

    Регистрация:
    2 авг 2013
    Сообщения:
    471
    Редрум2, это конечно очень странный девайс, но какое отношение он имеет к новоделу ретро-железа?
     
    Revolter, grinderz20 и Melcina нравится это.
  18. Редрум2

    Редрум2

    Регистрация:
    12 янв 2018
    Сообщения:
    996
    Ну я искал вообще-то тот raspberry, который тут показан на картинке, про ноутбук я особо не читал, и поэтому его я не нашёл, а картинку удалил. И решать быть тут этому или нет не мне.
     
  19. Yuriy_X

    Yuriy_X

    Регистрация:
    27 авг 2018
    Сообщения:
    4.070
    Не понимаю изготовителей новодельных устройств для установки в материнские платы, которые их предлагают без задних крепёжных планок. Особенно если эта железка не уникальна. Казалось бы, продавцу, знающему точные размеры своего изделия, намного легче заказать эти планки в дорогом (металл) или дешёвом (пластик) исполнении и добавить к цене * рублей. Я всегда такие объявления обхожу стороной и ищу других продавцов.
     
    Последнее редактирование: 22 ноя 2024
    STOCK нравится это.
  20. Yuriy_X

    Yuriy_X

    Регистрация:
    27 авг 2018
    Сообщения:
    4.070
    Кто-нибудь знает изготовителей WavetablePi в России?
     
  1. На этом сайте используются файлы cookie, чтобы персонализировать содержимое, хранить Ваши предпочтения и держать Вас авторизованным в системе, если Вы зарегистрировались.
    Продолжая пользоваться данным сайтом, Вы соглашаетесь на использование нами Ваших файлов cookie.
    Скрыть объявление