1. Друзья, в это тяжёлое и непонятное для всех нас время мы просим вас воздержаться от любых упоминаний политики на форуме, - этим ситуации не поможешь, а только возникнут ненужные ссоры и обиды. Это касается также шуток и юмора на тему конфликта. Пусть войны будут только виртуальными, а политики решают разногласия дипломатическим путём. С уважением, администрация Old-Games.RU.

    Скрыть объявление
  2. Пожалуйста, внимательно прочитайте правила раздела.
  3. Если Вы видите это сообщение, значит, вы ещё не зарегистрировались на нашем форуме.

    Зарегистрируйтесь, если вы хотите принять участие в обсуждениях. Перед регистрацией примите к сведению:
    1. Не регистрируйтесь с никами типа asdfdadhgd, 354621 и тому подобными, не несущими смысловой нагрузки (ник должен быть читаемым!): такие пользователи будут сразу заблокированы!
    2. Не регистрируйте больше одной учётной записи. Если у вас возникли проблемы при регистрации, то вы можете воспользоваться формой обратной связи внизу страницы.
    3. Регистрируйтесь с реально существующими E-mail адресами, иначе вы не сможете завершить регистрацию.
    4. Обязательно ознакомьтесь с правилами поведения на нашем форуме, чтобы избежать дальнейших конфликтов и непонимания.
    С уважением, администрация форума Old-Games.RU
    Скрыть объявление

FAQ в помощь строителю "ретрокомпьютера"

Тема в разделе "Hard & Soft", создана пользователем дядя Лёша, 8 май 2006.

  1. easy_john

    easy_john

    Регистрация:
    14 мар 2008
    Сообщения:
    1.708
    обычно подключают последовательно или через микшер, а я как-то спаял тупой переходник, запараллелил три джека и вывел на джек-маму, в которую уже втыкается колонки или что там хочется. Все три слышно одновременно.
     
    Vardok нравится это.
  2. Goblinit

    Goblinit

    Регистрация:
    18 мар 2011
    Сообщения:
    4.440
    Если кто-то ещё хочет это проверить, я отдаю эти карточки задаром.
     
  3. Y2k

    Y2k

    Регистрация:
    30 июн 2009
    Сообщения:
    1.767
    Разобрался, даже воткнул свой Тулатинчик в материнку - не прокнуло. Максимум что "чайник" потянет это "купер". Маркировка 6oja3 с буквой Т это и есть поддержка туалатинчика.
     
    Последнее редактирование: 3 апр 2013
  4. Geryon

    Geryon

    Регистрация:
    13 май 2008
    Сообщения:
    1.228
    Bato-San, а получалось ли у тебя настроить Yamaha OPL3SA3 для использования WSS в играх? У меня в утилите setupsa.exe WSS sound test работает, а игры виснут наглухо, либо молча, либо напоследок пискнув "Stack overflow". STACKS=12,256 прописал - не помогло.
     
  5. Bato-San Чеширский волк-киборг

    Bato-San

    Регистрация:
    24 июн 2010
    Сообщения:
    14.136
    Geryon, это другие стеки - программные. Их руками не настроишь.:yes:
    Как то не пробовал, видимо игр под WSS конкретно заточенных не попадалось. Назови какю-нибудь - попробую. Вики говорит, что дело было так вот. Так что не очень понятно уже что и чего эмулирует.
     
  6. Geryon

    Geryon

    Регистрация:
    13 май 2008
    Сообщения:
    1.228
    Список игр на Mobygames

    Я лично пробовал Warcraft II и Magic Carpet 2: Netherworlds - у обеих сетап зависает, у варкрафта - с руганью про стек, у MC - молча.
     
  7. LANRUS

    LANRUS

    Регистрация:
    15 сен 2010
    Сообщения:
    4.621
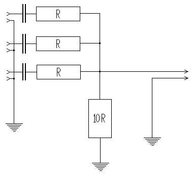
    В таких случаях лучше ставить защиту выходных каскадов карт, пусть они не силовые для наушников, но всё-таки. Стандартная схема - ёмкостьХ+сопротивлениеХ последовательно, далее перед окончательным взятием сигнала - сопротивление10Х на "землю". В эту же точку перед сопротивлением10Х точно так же кинуть ёмкости и сопротивления от других карт. Для стерео всё параллельно удваивается.

    ---------- Сообщение добавлено в 13:45 ---------- Предыдущее сообщение размещено в 13:24 ----------

    Ну типа такого:
    [​IMG]

    ---------- Сообщение добавлено в 13:47 ---------- Предыдущее сообщение размещено в 13:45 ----------

    Соответственно для стерео - две такие схемы.
     
    Последнее редактирование модератором: 19 июл 2015
  8. easy_john

    easy_john

    Регистрация:
    14 мар 2008
    Сообщения:
    1.708
    Это знаю, но просадка громкости будет процентов 20-30, а карты и так тихие, так что сделал просто напрямую. За 3-4 года ничего плохого не случилось.
     
    Goblinit нравится это.
  9. LANRUS

    LANRUS

    Регистрация:
    15 сен 2010
    Сообщения:
    4.621
    Отношение сигнал/шум не изменится или почти не изменится, всё остальное решает мощный усилок.
     
  10. Geryon

    Geryon

    Регистрация:
    13 май 2008
    Сообщения:
    1.228
    Заметил, что в квестах Sierra (SQ5 и KQ6, другие не проверял) при наведении курсора мыши на чей-нибудь спрайт, например, главного героя, курсор начинает зверски моргать и глючить. С чем это может быть связано? Мб это особенность Radeon 8500?
     
  11. MisterGrim Very old

    MisterGrim

    Legacy

    Регистрация:
    29 ноя 2007
    Сообщения:
    25.423
    Geryon, так проверь в досбоксе.
    Но насколько помню — так и было.
     
  12. Geryon

    Geryon

    Регистрация:
    13 май 2008
    Сообщения:
    1.228
    Проверил - в досбоксе чуть-чуть моргает, а с радеоном именно зверски моргает. Попробую мб с другими картами...
     
  13. MisterGrim Very old

    MisterGrim

    Legacy

    Регистрация:
    29 ноя 2007
    Сообщения:
    25.423
    Geryon, можно ещё на какой-нибудь карточке проверить — это же DOS, переставил и всё. Но то, что моргает в досбоксе, уже как бы намекает.
    Вообще насколько помню, там всегда так было.
     
  14. дядя Лёша

    дядя Лёша

    Регистрация:
    27 фев 2006
    Сообщения:
    3.285
    На жирафе 6800 ультра, подтверждаю - тоже мерцает чутка.
     
  15. Vardok

    Vardok

    Регистрация:
    25 июн 2009
    Сообщения:
    869
    Столкнулся с проблемой:
    Есть материнка ASUS TUSL-2C. Так вот, недавно прошил на нее широко известный твикнутый биос на базе версии 1012 - 1012tctwkb2. И после прошивки наблюдается следующее - сбрасываются параметры биоса после отключения от компа сети. Т.е. если сетевой фильтр включен, то все норм. Но если его вырубить, то настройки все слетают, при вкл. компа автоматом запускается биос и приходится заново выставлять все параметры, начиная с частоты ЦПУ. Батарейка не причем. Менял, толку нет. Есть способ это пофиксить? Уж больно разгон хорош, да и АГП на 4х принудительно ставится.
     
  16. Bato-San Чеширский волк-киборг

    Bato-San

    Регистрация:
    24 июн 2010
    Сообщения:
    14.136
    Vardok, попробуй сбросить CMOS, а потом перепрошить. И чем тебе последний родной биос от ASUS не понравился ? Тоже всё гонится и 4х на месте.
     
    Vardok нравится это.
  17. Vardok

    Vardok

    Регистрация:
    25 июн 2009
    Сообщения:
    869
    Bato-San, это который 1014 beta? Если честно, еще не пробовал ставить. Прочитал в интернетах, что, мол, вот этот кастомный самый крутой, ну и прошился с 1012 до него. Разгон стал лучше, но вылез вот такйо косяк. Спасиюо поробую 1014, может нормально все станет.
     
  18. Goblinit

    Goblinit

    Регистрация:
    18 мар 2011
    Сообщения:
    4.440
    Читаю мануал к АВЕ64. Там мимолётно сказано, что я могу подключить два геймпада к геймпорту через Y-коннектор. Это правда? И с любым портом такая штука прокатывала?

    ---------- Сообщение добавлено в 15:36 ---------- Предыдущее сообщение размещено в 15:35 ----------

    UPD: вспомнил, это правда. Если посмотреть разводку геймпорта, будет видно, что сигналов рассчитано на два геймпада. Это заложено изначально, сталкивался с этим при пайке самопального геймпада на геймпорт.

    ---------- Сообщение добавлено в 16:55 ---------- Предыдущее сообщение размещено в 15:36 ----------

    Прошу прощения, возникло ещё пару вопросов по AWE64 Value, поскольку именно для Value мануала найти не смог. Собственно, у меня вот такая карта:

    [​IMG]

    1. На ней есть коннектор MB_PRO и джампер MFBEN. Для чего они?

    2. Коннекторы TAD и PC_SPK - эти зачем?

    ---------- Сообщение добавлено в 16:59 ---------- Предыдущее сообщение размещено в 16:55 ----------

    И ещё: коннекторы CD_IN и AUX1 - они для аналогового выхода CD-ROM на выбор (то есть либо тот либо другой?) или AUX1 - это цифра?
     
  19. easy_john

    easy_john

    Регистрация:
    14 мар 2008
    Сообщения:
    1.708
    Входы telephone answering device и спикера. при подключении - звук со спикера и автоответчика/модема шел на колонки, и можно было регулировать громкость стандартным микшером звуковухи. Ни разу в жизни не видел, что бы этим кто-то реально пользовался.

    нет, то же аналог скорее всего.
     
    Goblinit нравится это.
  20. Goblinit

    Goblinit

    Регистрация:
    18 мар 2011
    Сообщения:
    4.440
    easy_john, спасибо!!

    Так, MFBEN в AWE64 Gold включает/выключает эмуляцию MPU-401. Думаю, у меня то же назначение. А вот про MB_PRO можно поверить на слово.
     
  1. На этом сайте используются файлы cookie, чтобы персонализировать содержимое, хранить Ваши предпочтения и держать Вас авторизованным в системе, если Вы зарегистрировались.
    Продолжая пользоваться данным сайтом, Вы соглашаетесь на использование нами Ваших файлов cookie.
    Скрыть объявление