1. Друзья, в это тяжёлое и непонятное для всех нас время мы просим вас воздержаться от любых упоминаний политики на форуме, - этим ситуации не поможешь, а только возникнут ненужные ссоры и обиды. Это касается также шуток и юмора на тему конфликта. Пусть войны будут только виртуальными, а политики решают разногласия дипломатическим путём. С уважением, администрация Old-Games.RU.

    Скрыть объявление
  2. Пожалуйста, внимательно прочитайте правила раздела.
  3. Если Вы видите это сообщение, значит, вы ещё не зарегистрировались на нашем форуме.

    Зарегистрируйтесь, если вы хотите принять участие в обсуждениях. Перед регистрацией примите к сведению:
    1. Не регистрируйтесь с никами типа asdfdadhgd, 354621 и тому подобными, не несущими смысловой нагрузки (ник должен быть читаемым!): такие пользователи будут сразу заблокированы!
    2. Не регистрируйте больше одной учётной записи. Если у вас возникли проблемы при регистрации, то вы можете воспользоваться формой обратной связи внизу страницы.
    3. Регистрируйтесь с реально существующими E-mail адресами, иначе вы не сможете завершить регистрацию.
    4. Обязательно ознакомьтесь с правилами поведения на нашем форуме, чтобы избежать дальнейших конфликтов и непонимания.
    С уважением, администрация форума Old-Games.RU
    Скрыть объявление

FAQ в помощь строителю "ретрокомпьютера"

Тема в разделе "Hard & Soft", создана пользователем дядя Лёша, 8 май 2006.

  1. coolerman

    coolerman

    Регистрация:
    19 ноя 2021
    Сообщения:
    1.130
    Я не через DOS ставлю, через boot загрузку с диска. Сам экран установки винды стартует до первого начального экрана, но после нажатия Enter, появляется черный экран и всё (при завершении работы windows то же самое). На Radeon 9600 всё нормально установилось и выключается.

    Так я знаю, какой у меня процессор - pentium 4 2.40ghz/1m/533. Я просто хотел уточнить, потому что по ссылке с описанием инфы, увидел, что там 2 потока указано. Вот и написал, возможно ли оно такое или это ошибка.
     
  2. BolenB

    BolenB

    Регистрация:
    8 июл 2007
    Сообщения:
    362
    Ну это нормально. Мои эксперименты с GF6600 правда PCI-E, не AGP:
    На ранних версиях BIOS видеоадаптера не работает DOS в окне Win98se (На BIOS 5.43.02.16).
    Нашел BIOS от SPARKLE 5.43.02.69 и DOS заработал.
    Теперь по драйверам (в обычной win98se):
    61.76 установил правкой inf-а. Direct3D работает, в OpenGL (GlQuake и Quake2) зверские глюки с текстурами.
    В 66.94 Direct3D работает, GlQuake работает, Quake2 зависает при попытке сменить разрешение в software режиме.
    В 71.84 наконец заработало и Direct3D и OpenGL (мелкие глюки остались, например, скринсейвер Аквариум без текстур).
    В 77.72 пропали глюки в 3DMark99Max (тянущиеся текстуры), скринсейвер, все также, без текстур. При выключении, комп стал зависать.
    Финиш.
     
  3. coolerman

    coolerman

    Регистрация:
    19 ноя 2021
    Сообщения:
    1.130
    @BolenB, вот теперь тоже знаю, что очень плохо работает 6600 под 98-ME. Я аж 2 карты купил, чтобы убедиться в этом.
     
  4. radical1010

    radical1010

    Регистрация:
    3 сен 2018
    Сообщения:
    3.897
    Так там на крышке есть код, начинающийся с букв SL***
    Вбиваете его в поиск на сайте CPU World и получаете полную информацию по своему процессору, в том числе, есть ли у него HT или нет.
     
  5. coolerman

    coolerman

    Регистрация:
    19 ноя 2021
    Сообщения:
    1.130
    Так в том и дело, что информация отличается на обоих сайтах SL88F.
     
  6. radical1010

    radical1010

    Регистрация:
    3 сен 2018
    Сообщения:
    3.897
    Возможно, были варианты SL88F с HT и без. Не спрашивайте, как такое могло случиться))
    На сайте cpuworld в отзывах внизу страницы пишут, что HT отсутствует, а в вашем экземпляре, получается, что есть.
     
  7. coolerman

    coolerman

    Регистрация:
    19 ноя 2021
    Сообщения:
    1.130
    @radical1010, всё таки там 1 поток.

    В итоге, по просадке производительности между asrock и asus, всё оказалось проще. Действительно, на asus, процессор на 533 шине работает значительно хуже, чем на asrock. К тому же память на asus работает на 266мгц, вместо 333мгц на Asrock. В биосе у Асус нет никаких параметров что бы поменять частоты и прочего. Даже успел заметить, что на Pentium 2.4 на Асусе в игре Grand prix 2000 при столкновении с другими машинами, игра фризит, на Asrock всё гладко. Настройки графики никак не влияют. Похоже, что АСУС сильно ограничивает процессор всё таки.
    Большая разница в цифрах оказалась из-за того, что на asrock тесты я делал на windows XP, а на asus делал под windows Me. Прогнал ещё раз тесты на обоих мат.платах под windows Me, разница уже не такая большая оказалась.
    В общем, на XP aquamark показывает цифры выше, чем на ME.
     
  8. BolenB

    BolenB

    Регистрация:
    8 июл 2007
    Сообщения:
    362
    Yuriy_X нравится это.
  9. Yuriy_X

    Yuriy_X

    Регистрация:
    27 авг 2018
    Сообщения:
    4.057
    Помогите, пожалуйста, опознать материнку. Забрал на радиорынке в качестве "кота в мешке". Пока только вижу, что это чистый Intel, Socket 7, скорее всего, без MMX и без встроенного кэша. Прежде чем её проверять, хочу понять, какие процессоры она поддерживает и в какие положения следует выставить DIP-переключатели.

    upload_2022-1-1_17-47-34.png

    upload_2022-1-1_17-47-39.png

    upload_2022-1-1_17-47-43.png
     
  10. radical1010

    radical1010

    Регистрация:
    3 сен 2018
    Сообщения:
    3.897
    В смысле? Там вон две микросхемы есть по 128К и еще два места под такие же чипы пустые.
    256К модуль вставляется в слот возле процессора.

    А вот БП да, там нужен с дополнительным разъемом, похоже.


    И чего-то я не могу найти на плате преобразователя питания для процессора. Где все эти транзисторы-радиаторы?
     
    Последнее редактирование: 1 янв 2022
  11. Колючий

    Колючий

    Регистрация:
    6 май 2008
    Сообщения:
    7.245
    Ты сфотографировал южный мост и чип MIO, обойдя вниманием северный мост. :)
    Поддержка будет зависеть от биоса и возможностей стабилизатора напряжения процессора.

    Плата похожа на нечто из рабочей станции/промышленного/медицинского компьютера.
    i430HX/FX скорее всего.
    Возможны странности и проприетарности.
    Кэш на плате есть.

    Правый верхний угол выгядит необычно. Следов распаивания на ней нет?
     
  12. Gamecollector

    Gamecollector

    Регистрация:
    23 сен 2016
    Сообщения:
    2.410
    Странно, был уверен, что разъём AUX -- прерогатива ранних БП стандарта ATX. AT им типа не страдали...
     
  13. Yuriy_X

    Yuriy_X

    Регистрация:
    27 авг 2018
    Сообщения:
    4.057
    Ясно, думал, что наличие слота под кэш автоматически означает, что встроенного нет.
    --- добавлено 1 янв 2022, предыдущее сообщение размещено: 1 янв 2022 ---
    upload_2022-1-1_20-14-33.png

    Понял, пока вижу, что надо избавляться от этой платы)

    Вроде нет. Вот детальнее:

    upload_2022-1-1_20-16-30.png
     
  14. Колючий

    Колючий

    Регистрация:
    6 май 2008
    Сообщения:
    7.245
    Это другой разъём, им +3.3В на плате обеспечивалось. Естественное, БП совсем не был стандартным АТ БП. Обычно работает и без него, но PCI карты, которым нужно питание +3.3В, на ней работать не будут.
    --- добавлено 1 янв 2022, предыдущее сообщение размещено: 1 янв 2022 ---
    i430FX, обычный чипсет для рабочих станций, серверов и т.д. Интересно сделана материнка в плане ретрогейминга, или нет - надо ковыряться.
    У неё есть жирный плюс, если заведётся и не будет привередливой к железу (или с какими-то особенностями, из-за которых придётся изворачиваться), то сделана она очень качественно.
     
    Последнее редактирование: 1 янв 2022
  15. TheMadLynx

    TheMadLynx

    Хелпер

    Регистрация:
    9 июн 2015
    Сообщения:
    7.592
    @Yuriy_X, знакомьтесь с полной версией: Dell Dimension P___t Midsize/P___t Minitower С этого же сайта можно скачать мануал с джамперами для неё. Внизу между слотом ISA и сокетом двойной ряд отверстий под дополнительный модуль VRM, которым можно добавить этой матери поддержку процессоров с двойным питанием. Разумеется, его достать нереально - придётся делать самому и распаивать гребёнку на мать в случае необходимости.
     
    Goblinit и Yuriy_X нравится это.
  16. Yuriy_X

    Yuriy_X

    Регистрация:
    27 авг 2018
    Сообщения:
    4.057
    Да, поэтому и забрал её за 500 рублей. У меня ещё есть интеловская TC430HX (ATX), тоже сделана очень добротно, приятно в руки взять. Пока не очень понятно, что на ней за разъём питания (над PCI). И ещё могу предположить, что ограничение на объём дисков в 8,5 Гб никак не получится снять, потому что интеловские биосы не патчатся. По крайней мере, так было с TC430HX.
    --- добавлено 1 янв 2022, предыдущее сообщение размещено: 1 янв 2022 ---
    @TheMadLynx, спасибо большое! Как вижу, над платой вандалы всё же немного поработали - выпаяли три кондёра и ещё какой-то элемент, похожий на встроенный PC Speaker. Ещё интересный момент - по ссылке указан Socket 5 (на фото не видно), у меня же Socket 7. Ну и эта Dell побогаче укомплектована - со встроенной S3 Trio.
     
    Последнее редактирование: 1 янв 2022
  17. legule

    legule

    Регистрация:
    14 ноя 2006
    Сообщения:
    655
    Vobis. Отсутствуют емкости в системе питания. Мануал - ENDEAVOUR Motherboard Settings and Configuration
     
    Goblinit, Колючий и Yuriy_X нравится это.
  18. radical1010

    radical1010

    Регистрация:
    3 сен 2018
    Сообщения:
    3.897
    Я такую интеловскую плату на барахолке встретил, это TX вроде
     

    Вложения:

    • post.jpg
      post.jpg
      Размер файла:
      175,5 КБ
      Просмотров:
      71
  19. legule

    legule

    Регистрация:
    14 ноя 2006
    Сообщения:
    655
    Вроде эта же материнка в родном корпусе
     
    Колючий, Yuriy_X и radical1010 нравится это.
  20. Strannik_

    Strannik_

    Регистрация:
    19 сен 2016
    Сообщения:
    971
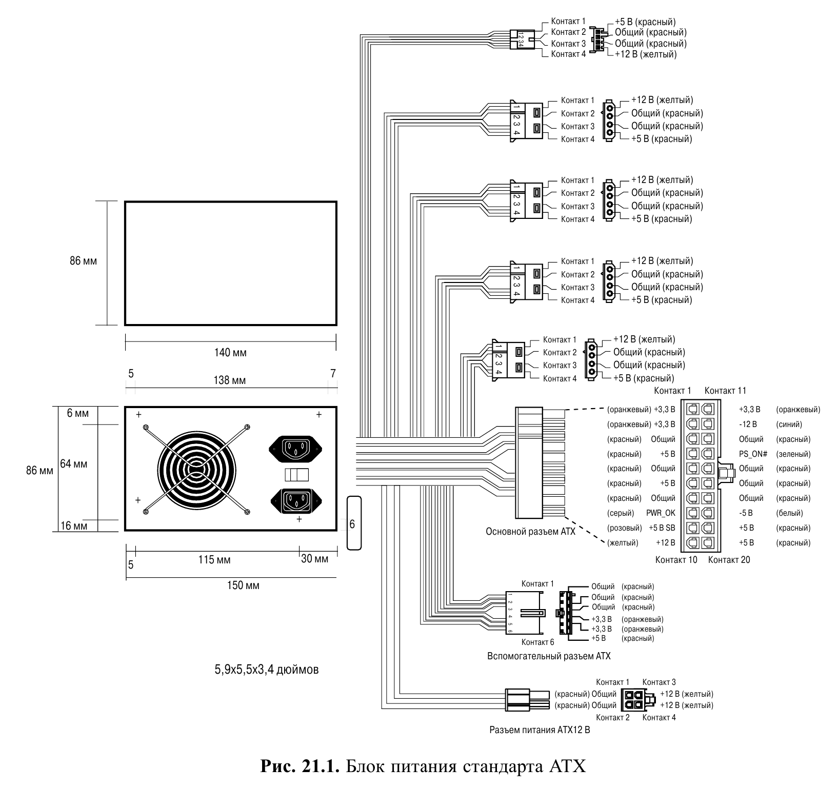
    @Колючий прав: ATX Offtop
    AUX PWR - разъем дополнительного питания в стандарте ATX.
    "Auxiliary power connectors: There are several types of auxiliary connectors, usually in 6-pin form, designed to provide additional power if it is needed."
    Не путать с разъёмами P8 и P9 стандарта AT.
    P1480786_.jpg P1480788_.jpg P1480789_.jpg

    Мюллер Скотт - Модернизация и ремонт ПК 14 изд 2003_1057.png
    Мюллер Скотт - Модернизация и ремонт ПК 14 изд 2003_1062.png Мюллер Скотт - Модернизация и ремонт ПК 14 изд 2003_1063.png Мюллер Скотт - Модернизация и ремонт ПК 14 изд 2003_1064.png Мюллер Скотт - Модернизация и ремонт ПК 14 изд 2003_1065.png
    не для этой платы.

    Руководство пользователя от очень похожей Intel Advanced/EV:
    https://web.archive.org/web/2008111...bokive/Archive/Intel/Advanced-EV_28183501.pdf
    Advanced-EV_28183501_006.png Advanced-EV_28183501_025.png
     
    Последнее редактирование: 2 янв 2022
  1. На этом сайте используются файлы cookie, чтобы персонализировать содержимое, хранить Ваши предпочтения и держать Вас авторизованным в системе, если Вы зарегистрировались.
    Продолжая пользоваться данным сайтом, Вы соглашаетесь на использование нами Ваших файлов cookie.
    Скрыть объявление