1. Друзья, в это тяжёлое и непонятное для всех нас время мы просим вас воздержаться от любых упоминаний политики на форуме, - этим ситуации не поможешь, а только возникнут ненужные ссоры и обиды. Это касается также шуток и юмора на тему конфликта. Пусть войны будут только виртуальными, а политики решают разногласия дипломатическим путём. С уважением, администрация Old-Games.RU.

    Скрыть объявление
  2. Пожалуйста, внимательно прочитайте правила раздела.
  3. Если Вы видите это сообщение, значит, вы ещё не зарегистрировались на нашем форуме.

    Зарегистрируйтесь, если вы хотите принять участие в обсуждениях. Перед регистрацией примите к сведению:
    1. Не регистрируйтесь с никами типа asdfdadhgd, 354621 и тому подобными, не несущими смысловой нагрузки (ник должен быть читаемым!): такие пользователи будут сразу заблокированы!
    2. Не регистрируйте больше одной учётной записи. Если у вас возникли проблемы при регистрации, то вы можете воспользоваться формой обратной связи внизу страницы.
    3. Регистрируйтесь с реально существующими E-mail адресами, иначе вы не сможете завершить регистрацию.
    4. Обязательно ознакомьтесь с правилами поведения на нашем форуме, чтобы избежать дальнейших конфликтов и непонимания.
    С уважением, администрация форума Old-Games.RU
    Скрыть объявление

Hard Максимальная нагрузка по питанию на шины ISA, PCI, AGP

Тема в разделе "Hard & Soft", создана пользователем LANRUS, 13 апр 2014.

  1. dizzydevil

    dizzydevil

    Регистрация:
    17 фев 2009
    Сообщения:
    208
    Ну может годами и искать не придется)
    Я свою практически новую может через пару месяцев продавать буду с полным комплектом включая родную коробку, кабели и остальное. Даже резервной микрухой биоса.
     
  2. AxXxB неадекват

    AxXxB

    Legacy

    Регистрация:
    13 ноя 2006
    Сообщения:
    1.663
    Собственно, я нигде не утверждал обратного.
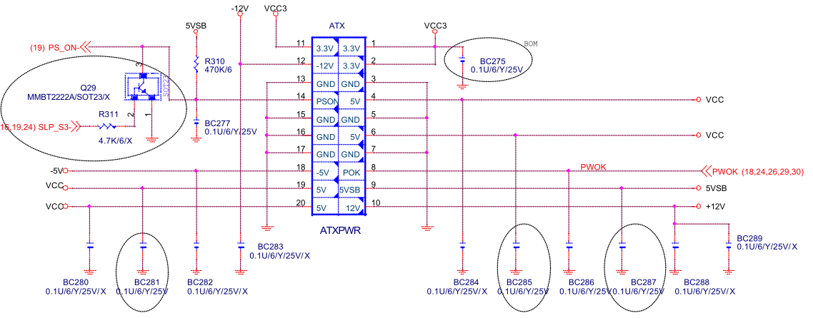
    По линиям 3,3 В, +/-5 и +/- 12 на матери ни к ISA, ни к PCI, ни к AGP, ни к чему нет никаких ограничивающих ток схем. Только конденсаторы, и они могут, в принципе, сдохнуть от большого тока, особенно если мать старая. В подтверждение можно найти принципиальную схему интересующей матери и посмотреть. Вот первая попавшаяся.

    PCI:
    [​IMG]
    [​IMG]

    Разъем питания:
    [​IMG]

    Как видно, все линии питания на PCI идут сразу c ATX, только кондеры воткнуты. Как посчитать, какой они выдержат ток, точно сходу не скажу, соберусь с мыслями и поищу - отвечу.

    Да, обводка некоторых элементов на картинках не моя, если что. Так на схеме было.
     
    Последнее редактирование модератором: 19 июл 2015
    Bato-San и LANRUS нравится это.
  1. На этом сайте используются файлы cookie, чтобы персонализировать содержимое, хранить Ваши предпочтения и держать Вас авторизованным в системе, если Вы зарегистрировались.
    Продолжая пользоваться данным сайтом, Вы соглашаетесь на использование нами Ваших файлов cookie.
    Скрыть объявление