1. Друзья, в это тяжёлое и непонятное для всех нас время мы просим вас воздержаться от любых упоминаний политики на форуме, - этим ситуации не поможешь, а только возникнут ненужные ссоры и обиды. Это касается также шуток и юмора на тему конфликта. Пусть войны будут только виртуальными, а политики решают разногласия дипломатическим путём. С уважением, администрация Old-Games.RU.

    Скрыть объявление
  2. Пожалуйста, внимательно прочитайте правила раздела.
  3. Если Вы видите это сообщение, значит, вы ещё не зарегистрировались на нашем форуме.

    Зарегистрируйтесь, если вы хотите принять участие в обсуждениях. Перед регистрацией примите к сведению:
    1. Не регистрируйтесь с никами типа asdfdadhgd, 354621 и тому подобными, не несущими смысловой нагрузки (ник должен быть читаемым!): такие пользователи будут сразу заблокированы!
    2. Не регистрируйте больше одной учётной записи. Если у вас возникли проблемы при регистрации, то вы можете воспользоваться формой обратной связи внизу страницы.
    3. Регистрируйтесь с реально существующими E-mail адресами, иначе вы не сможете завершить регистрацию.
    4. Обязательно ознакомьтесь с правилами поведения на нашем форуме, чтобы избежать дальнейших конфликтов и непонимания.
    С уважением, администрация форума Old-Games.RU
    Скрыть объявление

Монитор для ретро-компьютера: ЭЛТ или ЖК?

Тема в разделе "Hard & Soft", создана пользователем Huan59, 27 май 2014.

  1. MAN-biker

    MAN-biker

    Регистрация:
    17 авг 2008
    Сообщения:
    4.239
    В другие тоже через ДП подключаешь?
    Эти ДП и ХДМИ - бесовщина непонятная, хз чо они там как передают и как на это реагируют "приёмники" =)

    Весьма похоже, пытается чо-то там скейлить и появляется это "мыло".

    Ты в настройке Нвидии выбери один из 3-х режимов вывода как "БЕЗ масштабирования" и посмотри. Чтоб оно вывело картинку попиксельно в центре и в реальном разрешении (с черными рамками по краям).
    Clipboard01.jpg
    И главное, обрати внимание НА ЧЕМ ВЫПОЛНЯЕТСЯ МАСШТАБИРОВАНИЕ, на видяхе или же на мониторе!
     
    Последнее редактирование: 26 окт 2018
  2. Antr00plasm

    Antr00plasm

    Регистрация:
    6 окт 2009
    Сообщения:
    2.360
    Это мыло как раз и есть то как должно быть ( оно на 7ке). А там где точки разноцветные хорошо видны это ХП это то как быть не должно. :) . Другие мониторы подключаю обычно через dvi или vga к этому компу.
     
  3. Goblinit

    Goblinit

    Регистрация:
    18 мар 2011
    Сообщения:
    4.446
    Так ведь давали же ссылку выше на ргбкардс. Есть софтовые решения.
    --- добавлено 26 окт 2018, предыдущее сообщение размещено: 26 окт 2018 ---
    ок, а какие режимы монитор показывает в обоих случаях? (смотреть через его osd)
     
  4. TheMadLynx

    TheMadLynx

    Хелпер

    Регистрация:
    9 июн 2015
    Сообщения:
    7.621
    А как можно проверить эту "честность"? Обычно, инфо монитора о видеорежиме активном показывает все четко: и 720х400, и 640х480, и 800х600 с любыми видеокартами, которые я видел, независимо, DVI там, VGA или DisplayPort. Значит есть какие-то еще способы проверки?

    @Antr00plasm, в меню монитора режим картинки sRGB выбран?
     
  5. Antr00plasm

    Antr00plasm

    Регистрация:
    6 окт 2009
    Сообщения:
    2.360
    Хммм в 7ке в меню фолла показывает 1920*1080@100 в XP 640*480@75 При том настроек переключения масштабирования в XP нет, почему то...

    Выбирал уже , не помогает.
     
  6. Goblinit

    Goblinit

    Регистрация:
    18 мар 2011
    Сообщения:
    4.446
    @Antr00plasm, ага. Вопрос к масштабированию драйверов нвидия. Сделай как советует @MAN-biker
     
  7. Antr00plasm

    Antr00plasm

    Регистрация:
    6 окт 2009
    Сообщения:
    2.360
    @Goblinit, так неактивны настройки под XP то есть их вообще нет. Вообще походу XP как-то криво считывает инфу из edid монитора. Хотя я поставил даже офф :) драйвер на xp, удивительно что он вообще есть.
     
  8. Goblinit

    Goblinit

    Регистрация:
    18 мар 2011
    Сообщения:
    4.446
    Ну. Тут причина ясна, осталось найти решение)))
     
    MAN-biker нравится это.
  9. nop

    nop

    Регистрация:
    5 дек 2014
    Сообщения:
    2.297
    Обычный видеопроцессор общего назначения. который с кучи входов конвертирует на кучу выходов. выход в том числе готовый RGB через BNC.
    Ой, а ведь вру. У моего минимум на выходе - 480p. Это входы 15 khz поддерживают. Появился до PVM-ок, не проверял. Забросил из за лагов. С такими разве что в JRPG играть :) Ну, кроме прямого назначения, конечно.
     
    Последнее редактирование: 27 окт 2018
    MAN-biker нравится это.
  10. MAN-biker

    MAN-biker

    Регистрация:
    17 авг 2008
    Сообщения:
    4.239
    Ну, вот тебе и ответ очередной.
    Во втором случае у тебя как раз скейлингом занимается моник, причем, судя по результату, делает это отлично, без мыла.
    Но тебе-то мыла подавай, я бы сразу веревку еще просил, ибо мыло не приемлю категорически.

    Эта настройка абсолютно точно неактивна, когда используется вывод VGA и активна - когда выход идет на DVI.
    Что там с HDMI и DP я не знаю, может про них дрова ХРюни вообще ничего не знают, я не пробовал и не смотрел эти настройки активны ли при таком варианте.
    Но вообще-то должны бы, ибо почему в режиме VGA не работает отчасти понятно, но эти-то цифровые как и DVI...

    Вообще, вот так вот скейлить 640x480 до FullHD - это жесть!
    Я бы уж тогда просто положил поверх игры ReShade с фильтром типа CRT-Royale или CRT-Geom, пот тогда можно масштабировать как угодно и на выходе иметь кошерные сканлайны и эмуляцию CRT на огромном экране.
     
    Последнее редактирование: 27 окт 2018
    Bato-San и Goblinit нравится это.
  11. Antr00plasm

    Antr00plasm

    Регистрация:
    6 окт 2009
    Сообщения:
    2.360
    Да ну нафиг, ты же видишь эти точки, имхо их быть не должно, я потом лица читсы из меню выбора сфоткаю будет хорошо видно.
     
  12. Ogr 2 лол

    Ogr 2

    Хелпер Переводчик

    Регистрация:
    25 мар 2008
    Сообщения:
    6.842
    бред сивой кобылы. вообще видимость точек в 640 на 480 даже в 90-х годах зависело от ценовой категории конкретного элт монитора, Чем выше она, тем большее разрешение поддерживал монитор, с большей разверткой и лучшей четкостью. Так что, утверждать исходя из того что на твоём конкретном дешманском мониторе в 640 на 480 было мыло, А значит "так и должно быть" - полный бред недалекого человека. и потом, у тебя же якобы есть отлично сохранившийся элт-монитор на котором всё как надо, та какого же Х ты мудохаешся с этим жк?
     
  13. Antr00plasm

    Antr00plasm

    Регистрация:
    6 окт 2009
    Сообщения:
    2.360
    Купил в свое время по скидке его, долгое время лежал - решил ща помудохаться , разобраться с этой траблой.
     
  14. zx-c64

    zx-c64

    Регистрация:
    29 июн 2013
    Сообщения:
    724
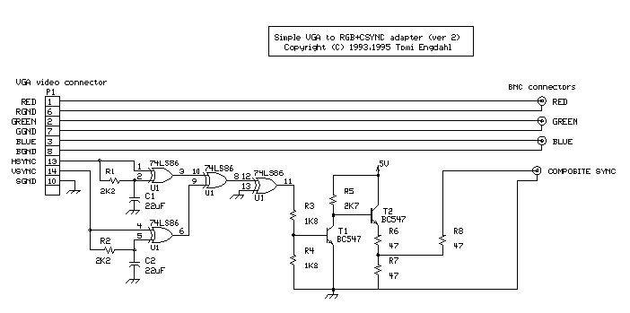
    никто не хочет попробовать такое сделать?
    awww.epanorama.net_circuits_vga2rgbs.gif
    и частоту подобрать scitech display doctor
     
    MAN-biker нравится это.
  15. Колючий

    Колючий

    Регистрация:
    6 май 2008
    Сообщения:
    7.270
    Насколько важно экранирование цветовых проводов в кабеле для CRT монитора?
     
  16. Bato-San Чеширский волк-киборг

    Bato-San

    Регистрация:
    24 июн 2010
    Сообщения:
    14.136
    ну вот народ без экрана делал
    Распайка vga на витую пару. • Radeon.ru

    Ну и дальше, понятное дело, по нарастающей и вплоть до адронного коллайдера.

    ХОтя там же в конце есть ссылка на такой вариант
    VGA по витой паре. Удлинитель VGA по витой паре своими руками.
     
    Последнее редактирование: 27 окт 2018
  17. Колючий

    Колючий

    Регистрация:
    6 май 2008
    Сообщения:
    7.270
    Я просто пока не могу найти косяков в зелёном на мониторе с отломанным пином зелёной земли. Тут естественно не несколько метров кабеля по стенке.
     
  18. Bato-San Чеширский волк-киборг

    Bato-San

    Регистрация:
    24 июн 2010
    Сообщения:
    14.136
    @Колючий, ну тут фокус в том, что пин отломан с одной стороны. И в том, что смотри как вообще соединены земли с обеих сторон на устройствах.
     
  19. Колючий

    Колючий

    Регистрация:
    6 май 2008
    Сообщения:
    7.270
    В такой вариации экран по идее не работает.
    --- добавлено 27 окт 2018, предыдущее сообщение размещено: 27 окт 2018 ---
    ХЗ вобщем. Чешу голову, стоит ли менять заводской разъём на что-то алиэкспрессное...
     
  20. tuliss

    tuliss

    Регистрация:
    24 фев 2014
    Сообщения:
    5.975
    Чем больше разрешение, тем более важно. На FullHD VGA на Х кабели дает дикое мыло.
    --- добавлено 28 окт 2018, предыдущее сообщение размещено: 28 окт 2018 ---
    Лучше дать полностью статью

    VGA to RGB+sync converter

    Так как минимум надо учитывать это

     
    TheMadLynx, MAN-biker и Goblinit нравится это.
  1. На этом сайте используются файлы cookie, чтобы персонализировать содержимое, хранить Ваши предпочтения и держать Вас авторизованным в системе, если Вы зарегистрировались.
    Продолжая пользоваться данным сайтом, Вы соглашаетесь на использование нами Ваших файлов cookie.
    Скрыть объявление